Description
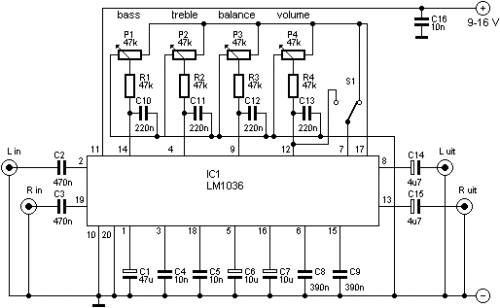
This amplifier can control the volume, balance and tone controls take over. The circuit operates a specially designed IC, LM 1036. The advantage is that few external components are necessary, and that may be, which are cheaper. Used for controlling monopotmeters speaks scheme for itself. S1 loudness can be adjusted. In the position shown, the loudness. Moreover, the IC TDA 1524A Philips same capabilities.

Comments
Post a Comment