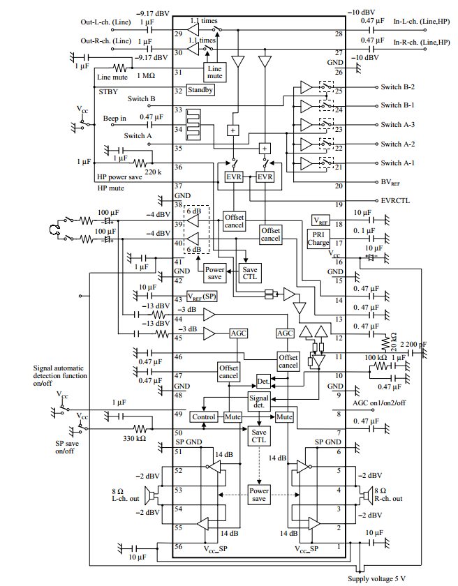
Overview:
AN12942B is an one-chip IC for the stereo speakers which can output 1 W by 8 Ω, headphone amplifiers, line amplifiers, and electronic volumes. The AGC circuit is built-in to prevent the resonance or the vibration by the speaker’s energy and the clipping distortion what is called "broken up sound". Also the AN12942B is built-in power saving on/off function automatically detecting input signal to save the power of speaker amplifier.
Circuit Diagram:
![]() |
| Audio signal processing |

Comments
Post a Comment