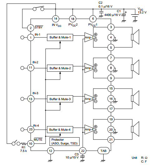
The HA13159 is four-channel BTL amplifier IC designed for car audio, featuring high output and low distortion, and applicable to digital audio equipment. It provides 37 W output per channel, with a 13.7 V power supply and at Max distortion.
Circuit diagram:
![]() |
| 4-channel 37 Watt amplifier circuit |
Datasheet for HA13159: Download

Comments
Post a Comment